ICOM IC-211e Tipps

 

Gratis Counter

Während der Vorbereitung auf die C-Lizenz, kaufte ich mir 1979 bei DK1FG in Baiersdorf einen neuen ICOM IC-211e Transceiver. Das Teil kostete damals ca. 2000 DM und war absolut Stand der Technik.

Das 2m-Band war seinerzeit Tummelplatz für Funkamateure. Auf den Relais herrschte oft fast rund um die Uhr Betrieb, auf den sogenannten OV-Frequenzen gab es zahlreiche Runden unterschiedlichster Couleur und im SSB-Bereich hatte man gute Chancen, auch außerhalb der Conteste, auf einen CQ-Ruf Antwort zu erhalten. Ich hätte diesen Abschnitt auch mit Es war einmal ... beginnen können.

Jedenfalls funktioniert der alte IC 211e noch heute und hatte, außer den bekannten Durchführungen in der PLL, keine größeren Mängel gezeigt. Ich würde das gute Teil auch nicht hergeben wollen, ganz im Gegenteil ich machte mich auf die Suche nach einem Ersatzteilspender für eventuelle spätere Fehlerbehebung.

Vor einigen Monaten ersteigerte ich dann bei Ebay für ca. 50 € ein schon betagtes, defektes IC-211e aus Hessen. Das recht marode Teil hatte auf fast gar nichts mehr Lust. Keine Abstimmung möglich, toter Empfänger, null Output, defekte Schalter usw. Zudem handelte es sich um ein Modell der ersten Serien mit alter PLL. Ein evtl. Einsatz in meinem 211-er wäre nicht so ohne weiteres möglich gewesen. Plan A war das Teil in einem Karton zu bunkern, Plan B sah eine Wiederbelebung vor. Da ich im Winter auch gerne mal Zeit im Bastelkeller verbringe, wählte ich Plan B.

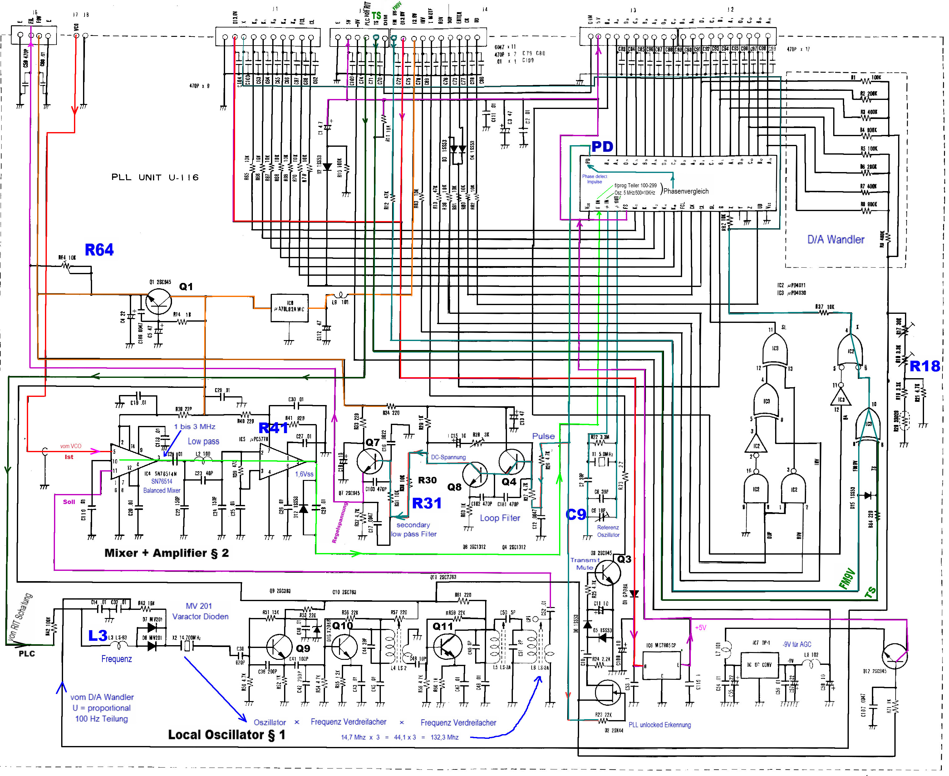
Die vorhandenen Schaltpläne meines Modells passten natürlich nicht exakt und konnten deshalb nur als Orientierung dienen. Dank Internet konnte ich aber einige pdf-Dateien mit Plänen und Beschreibung zur alten Serie finden. Da der 211-er leider einige undokumentierte Modifikationen erlitten hatte, war der erste Schritt -> back to the roots, also Wiederherstellen des Originalzustandes.

Ohne Studium der Pläne und Layouts im Vergleich zur verbastelten Realität, sowie das genaue Verständnis der Arbeitsweise geht da gar nix. Stochern im Nebel hilft keinen Millimeter weiter.

In diesem Zusammenhang entstanden einige farblich markierte Hilfspläne, Bilder und auch meine Praktikerübersetzung der Funktionsbeschreibung. Die Quellen waren verschiedene englischsprachige Dokumente. Vielleicht helfen sie dem ein- oder anderen irgendwann mal ein Stück weiter.

Auf der Suche nach Ersatz für den defekten PLL-Prozessor SC3062A, bekam ich ein weiteres, defektes und auch verbasteltes ICOM-211e aus dem Vogtland angeboten. Bei OM Dieter Knauer DG2NBQ fand ich fast zeitgleich einen gebrauchten aber noch funktionstüchtigen SC3062A für 8€. Nach vielen Stunden Rekonstruktionsarbeit und Behebung der ursächlichen Fehler (PA-Treiber, PLL-IC, Durchkontaktierungen, Styroflex-Kondensatoren, kalte Lötstellen, Leiterbahnunterbrechungen) und einem komplettem Neuabgleich, liefen / laufen die beiden alten Geräte wieder tadellos.

Unter anderem tauschte ich in einem der Geräte die sechs z.T.  defekten ICOM-Schalter gegen Schalter Typ MTS-113 von Pollin. Diese eignen sich mit ihren drei Stellungen EIN-AUS-TAST für alle Funktionen. Die alte Supportplatte wurde gegen eine Aluplatte mit Zentralbohrungen ausgetauscht. Je nach Funktion wird entweder die Rast- oder Tast-Stellung verwendet. Werden die Knebel noch mit 4-mm Aluröhrchen aus dem Modellbau verkleidet (ein Tropfen Heißkleber auf den Knebel und Röhrchen darrüberschieben), so erkennt man zum Original fast keinen Unterschied mehr. Eine nette Dame von KVT-Verbindungstechnik besorgte mir aus den USA noch einige Muster der Southco-Verriegelungen für die Zugangsplatte.

Die Neulackierung der Gehäuseteile mit anthrazit Hammerschlaglack von Dupli-Color (kommt dem Farbton von ICOM nahe) plus anschließendem Klarlacküberzug, durfte natürlich nicht fehlen.

Voila, hier ein Teil meiner Unterlagen, auch zum Download.

Downloads

Funktionsbeschreibung

Plan Empfänger

Plan Sender

Plan PLL

Planauszug Bremse

PLL Reparatur

Abgleich deutsch

Abgleich englisch

Manual altes Modell

Manual neues Modell

Pläne als pdf

1SS55 Alternative (pdf)

CTCSS Einbau (pdf)

Abstimmung defekt

alte Treiberplatine

ICOM IC-211e unter der Lupe im Bastelkeller.

Der restaurierte Vogtländer

Die 6 Pollin Schalter mit Aluröhrchen

Adapterplatte